Jump to main content
Deutsch
Shortcuts
University
Campusfinder
People (Directory): Phone, Email
Feedback
[de]
Dining Hall Menu
[de]
Studies
Student Service
Central Examination Office
Consulting and Support
[de]
Course Catalogue
[de]
E-Learning
[de]
OPAL Learning platform
Student Council
Student Union
Job Offers
Network Services
Webmail
Outlook on the web / Exchange
VPN
WiFi
Login
Contact
Search in...
University Web Pages
Register of Persons (Phone, Email)
University News
Library Catalogue
Room Directory
Search
Professorship of Production Measurement Technology
Focus areas
Open home page
University
Organization
Campus Map
University Management
Position Openings
[de]
Press Office and Crossmedia Communications
Appointment Process Monitor
[de]
Marketing, Event Management and Merchandising
Equality and Family
Central Administration
Inclusion and Accessibility
[de]
External Locations
[de]
Sustainability
Bodies, Forums and Representatives
Faculties
Natural Sciences
Computer Science
Mathematics
Economics and Business Administration
Mechanical Engineering
Humanities
Electrical Engineering and Information Technology
Behavioural and Social Sciences
Central Institutions
Cluster of Excellence MERGE
Research Centre MAIN
Research Centre MeTech
[de]
University Didactics Saxony
International Office
University Library
University Computer Centre
Foreign Language Centre
Centre for Teacher Training and Educational Research
[de]
Centre for Junior Scientists
Centre for Sports and Health Promotion
Centre for Knowledge and Technology Transfer
[de]
Studies
Pupils & Candidates
Degree Programs
Students
Student Service and Course Guidance Service
Central Examination Office
Further Education
[de]
Career Service
Students’ Activities and Involvement
[de]
Study Quality – TUCpanel
Study portal
[de]
International
Networking
Outgoing
Incoming
International Scientists
Across – European University Alliance
Professorship of Production Measurement Technology
Focus areas | Research | Professorship of Production Measurement Technology | IWP | Mechanical Engineering | TU Chemnitz
TU Chemnitz
Mechanical Engineering
IWP
Professorship of Production Measurement Technology
Research
Focus areas
Professorship of Production Measurement Technology
Menu
Page Menu
Start
Leadership
Team
News
Research
Focus areas
Projects
Teaching
Services
Equipment
Contact
Research
Focus areas
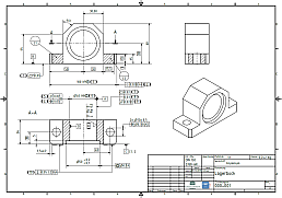
Geometrical product specification (GPS)
Further development of geometric tolerancing according to the GPS system
Software and simulation supported tolerance evaluation
Development of a procedure model for the introduction of GPS in companies
Geometrical measurement
Development of measurement strategies for mapping geometric attributes
Evaluation and selection of measurement methods and strategies
Comparison of tactile/optical sensor technology
Development of new geometric measuring methods
Calibration of measuring devices and systems
Development of algorithms and characteristic values
Function and process specific evaluation of surfaces and edges (e.g. cutting edges)
Fusion of measurement data from different sensors and measurement methods
Elimination of outliers to clean up measurement data
Inspection planning and preventive quality assurance
Development of a GPS-based inspection planning process
Preventive quality assurance through simulation-supported deduction of inspection characteristics and inspection strategies
Extension of the inspection characteristics spectrum against the background of Industry 4.0
Gauge management
Vorschaltseite