Springe zum Hauptinhalt
Professur Maschinenelemente und Produktentwicklung
Reibdauerbeanspruchte Ermüdungsfestigkeit
Professur Maschinenelemente und Produktentwicklung 

Inhaltsverzeichnis

1   Allgemeine Beschreibung
2   Probekörper
3   Ergebnisse
4   Prüfstände
5   Ansprechpartner

1   Allgemeine Beschreibung

Die Ermittlung der Reibdauerermüdungsfestigkeit erfolgt anhand von experimentellen Modelluntersuchungen am innovativen Reibklötzchenprüfstand. Aufgrund der parallel angeordneten Schlupfaktuatorik zur mechanischen Zug-Druck-Prüfachse sind unabhängige Untersuchungen des Fugendrucks sowie des Schlupfes auf den tribologischen Kontakt möglich. Die beschriebene Entkopplung der mechanischen Prüf- von der tribologischen Achse stellt ein Alleinstellungsmerkmal zu vergleichbaren Prüfaufbauten dar. Die Schwingfestigkeitsuntersuchungen können je nach Kundenanforderung im Zeitfestigkeits- sowie im Übergangsgebiet zur Dauerfestigkeit durchgeführt werden.

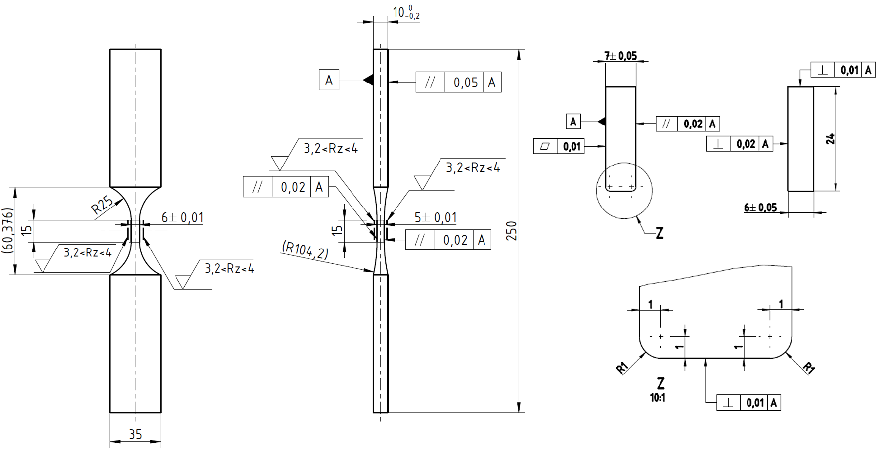
2   Probekörper

Die Geometrie der Probekörper ist hinsichtlich der Kundenanforderungen im Detail zu definieren. Hierbei sind sowohl flächige als auch Linienkontakte durch eine Anpassung der Kontaktgeometrie der Reibklötzchen realisierbar. Die Standardprobengeometrie ist nachfolgend dargestellt.

Reibdauerermüdungsfestigkeit Prüfstand

3   Ergebnisse

Die Berechnung der Reibdauerermüdungsfestigkeit ist in den heutigen standardisierten Berechnungsverfahren wie der DIN 743 für Wellen und Achsen sowie in der FKM-Richtlinie nicht implementiert. Die experimentelle Ermittlung der Reibdauerfestigkeit stellt daher immer noch ein probates Mittel zur Bewertung reibkorrosiv geschädigter Bauteile dar. Diesbezüglich helfen wir Ihnen gerne bei der Ermittlung der Reibdauerermüdungsfestigkeit sowie bei der Bewertung von Parametervariationen hinsichtlich der tribologischen Beanspruchung (Fugendruck und Schlupf). Darüber hinaus können auch Werkstoffvariationen sowie Abhilfemaßnahmen zur Vermeidung der reibkorrosiven Schädigung am Prüfstand des Institutes für Konstruktion- und Antriebstechnik durchgeführt werden.

4   Prüfstände

5   Ansprechpartner

Alexander Hasse
Prof. Dr. sc. ETH Alexander Hasse
Leiter der Professur und Direktor des IKAT,
Leiter der Fachgruppen "Tribologie" und "WNV/Festigkeit"
E-Mail:
Telefon:+49 371 531 36105
Raum:C21.323 (alt: 2/A323)
Sprechzeiten:nach Vereinbarung
119 Veröffentlichungen
Logo:RG