Springe zum Hauptinhalt
Professur Maschinenelemente und Produktentwicklung
Verschleißuntersuchung
Professur Maschinenelemente und Produktentwicklung 

1 Allgemeine Beschreibung

Die Modelluntersuchungen hinsichtlich Schwingverschleiß erfolgen auf dem Reibklötzchenprüfstand. Diese Untersuchungen werden im Gegensatz zur Reibdauerermüdung ohne dynamische Beanspruchung des Grundwerkstoffes durchgeführt. Eine Flachzugprobe wird einseitig eingespannt und der gewünschte Schlupf über die Klötzchenaktuatoren eingestellt. Eine Besonderheit dieses Prüfstandes ist die Möglichkeit, neben den üblichen Linienkontakten auch flächige Kontakte zu prüfen. Die Pressung im Kontakt kann über die Vorspannung der Reibklötzchenhalterung eingestellt werden. Die Materialien von Grund- und Gegenwerkstoff sowie von Beschichtungen können frei variiert werden. Die Verschleißmessungen mittels Konfokalmikroskop werden am Grundwerkstoff durchgeführt. Darüber hinaus kann mit einer Hochpräzisionswaage der Verschleiß der Reibklötzchen ermittelt werden.

Verschleißuntersuchung
Verschleißuntersuchung

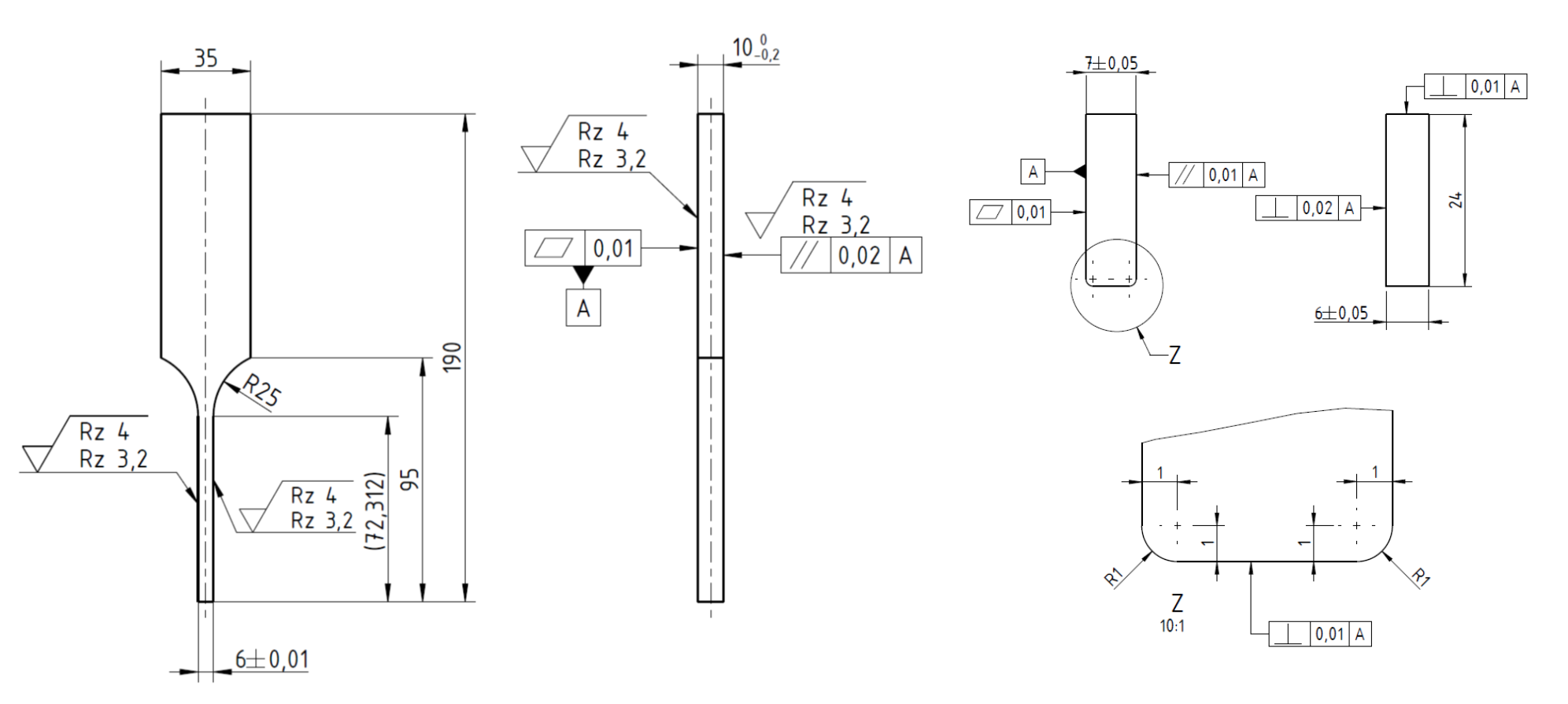
2 Probekörper

Die im Folgenden dargestellten Modellproben (links: Grundwerkstoff, rechts: Klötzchen- bzw. Gegenwerkstoff) können je nach Anwendungsfall angepasst werden.

verschleissuntersuchung Probekörper

3 Ergebnisse

Neben dem aufgetretenen Verschleiß können die Reibarbeit sowie die Reibwertentwicklung über die Versuchsdauer ermittelt werden. Anhand der Reibarbeit und des Verschleißes können für die Auslegung wichtige Kenngrößen wie die verschleißkritische Reibarbeit Wfric,G und der Verschleißkoeffizient K ermittelt werden. In Verbindung mit dynamischen FE-Analysen kann damit eine Abschätzung hinsichtlich der zu erwartenden Lebensdauer getroffen werden.

Verschleißverhalten

4 Prüfstände

5 Ansprechpartner

Alexander Hasse
Prof. Dr. sc. ETH Alexander Hasse
Leiter der Professur und Direktor des IKAT,
Leiter der Fachgruppen "Tribologie" und "WNV/Festigkeit"
E-Mail:
Telefon:+49 371 531 36105
Raum:C21.323 (alt: 2/A323)
Sprechzeiten:nach Vereinbarung
116 Veröffentlichungen
Logo:RG
  • Werbedisplay zur Online-Befragung

    TUCpanel 2026 ist gestartet!

    Vom 27. April bis zum 8. Mai 2026 haben Studierende der TU Chemnitz die Möglichkeit, ihre Studienbedingungen im Rahmen einer universitätsweiten Online-Befragung aktiv mitzugestalten …

  • Ein Mann und eine FRau stehen vor einer Tafel, an der farbige Puzzlesteine befestigt sind.

    Die Kombi macht’s: TU Chemnitz startet Bachelorstudiengang mit 99 Kombinationsmöglichkeiten

    Für maßgeschneiderte Profile in Zeiten des Wandels: Ab dem Wintersemester 2026/27 können Studierende ein Hauptfach frei mit einem Nebenfach kombinieren – Neuer Kombinationsstudiengang soll insbesondere den Bildungs- und Wissenschaftsstandort Chemnitz und die Region Südwestsachsen stärken …

  • Porträt einer Frau

    Im Fokus: Bedroh­liche Veränderungen der politischen Kultur

    Prof. Dr. Susanne Rippl vom Arbeitsbereich Politische Soziologie der TU Chemnitz ist Co-Autorin eines Buches, das aufzeigt, wie rechte Narrative die Demokratie unterwandern …

  • Porträt eines Mannes

    Schichtungen im Moment des Hörens

    Konzertsymposium „Schichtungen: Chemnitz, Berlin, Wien. In memoriam Peter Ablinger“ bringt vom 21. bis zum 22. Mai 2026 internationale Komponisten und Interpreten, Installationen, Konzeptkunst und wissenschaftliche Perspektiven an die TU Chemnitz und in die Kunstsammlungen Chemnitz …